欧美黄色录像,国产精品15p,韩日一级片,老师含紧一点h边做边添动态图

上海道勤塑化logo

塑料百科suliaobaik2Du

新聞中心

聯系我們

手 機:19279864570

郵 箱:40045692@qq.com

Q  Q:40045692

地 址:上海市奉賢區南橋鎮國順路936號5幢

奧迪、大眾等車內門把手為何選用電鍍級PC/ABS?

時間:2019-11-17 10:00 閱讀:2724 來源:互聯網


 

 

                                                                                image (130).jpg

 

 

 

一.車內門把手的造型

 

車內門把手的造型包括長條狀和扣式門把手,其中長條狀門把手為大部分汽車主機廠所喜愛。長條狀門把手由于細長,同等材質情況下較扣式門把手更易被拉斷;在選材方面,長條狀門把手需要考慮選擇強度較高的材料,如:電鍍PA;扣式門把手則一般選擇強度要求不太高的材料,如:電鍍PC/ABS。

image (131).jpg

圖表1 長條狀內門把手,電鍍PA材料

image (132).jpg

圖表2 扣式門把手,電鍍PC/ABS


 

二.車內門把手的材料有哪些?

 

1.ABS樹脂

image (133).jpg

圖表3 ABS材質門把手

ABS樹脂是車內門把手應用較早。由于力學性能不太好,目前ABS樹脂已很少應用到門把手中。車內門把手用ABS樹脂分為通用型和耐熱型,通用型ABS電鍍性能好,耐熱型ABS樹脂的熱變形溫度一般為90-105℃,并具有良好的剛性、韌性和流動性。


2.PC

PC為工程塑料,其力學性能優良,但是PC的電鍍性能不太好,因而在使用過程中受到了一定的限制。


3.PC/ABS

image (134).jpg

圖表4 帕薩特PC/ABS內門把手(毛胚和電鍍件)

PC/ABS樹脂是車內門把手發展最快、應用最廣的材料。PC/ABS樹脂為PCABS的合金,它具有PC的高強度和ABS的易電鍍性能,主要分為電鍍和噴涂兩種類型。和噴涂PC/ABS樹脂相比,電鍍PC/ABS樹脂表面更具金屬感,看起來更加高檔。


4.PC/PBT

PC/PBTPCPBT的共混材料,通常共混造料后,以粒料形狀供應。PC/PBT保持了結晶材料PBT的耐化學性及易于成型的特點,又兼備了非結晶材料PC的韌性和尺寸穩定性。在國內,PC/PBT用于車內門把手不太多。


5.PA(尼龍)

PA的力學性能優良,但其電鍍不夠好和吸水是PA應用在車內門把手的兩大難題。在國外,如:德國對暴拉力的要求很高,電鍍型PA在德系汽車中應用廣泛。國內由于PA電鍍線的技術不太成熟,故使用情況很少!車內門把手用PA一般分為兩類:噴涂型PA和電鍍型PA。電鍍型PA的組成一般為PA+20%礦物。

 

 

 

三.奧迪、大眾車內門把手為何選用電鍍級PC/ABS?

 

目前,市場上超過10萬的車,其配置的車內門把手基本上都是電鍍型的;其中電鍍型PC/ABS受到大部分汽車主機廠的歡迎,包括:大眾、奧迪、現代等。

PC/ABS 樹脂廣泛應用于門把手的原因主要是:綜合性能優良。綜合性能優良我們重點闡述一下:


1.PC/ABS綜合性能優良的原因

1PCABS的優缺點

 

PC

ABS

優點

1.沖擊強度高;

2.抗蠕變性和尺寸穩定性好;

3.耐熱,透明,吸水率低;

4.介電性能優良等優點。

1.電鍍性能好;

2.較好的耐化學腐蝕性;

3.良好的加工性;

缺點

1.加工流動性差;

2.易應力開裂,容易磨損;

3.對缺口敏感,耐化學藥品性差;

1.耐熱和耐候性差;

2.透明度不好;

3.沖擊強度較低;

4.拉伸強度較低。

我們知道PC是工程塑料,PC的優點有機械強度相對較高、耐熱、吸水率低等,但PC電鍍效果不太好、加工性能差;ABS為通用塑料,ABS電鍍效果好、耐化學腐蝕、加工性能良好,但其機械強度不夠、不耐熱。

PC/ABSPCABS的合金,PC/ABS結合了兩者的優點,因而綜合性能優良!


北汽福田的尚紅波介紹:“目前大多數內門把手基本都是電鍍PC/ABS,就國內情況來說,電鍍PC/ABS仍是主流內門把手材料。奧迪及大眾將門把手材料由電鍍PA改為了電鍍PC/ABS材料,其主要原因一個是成本因素,另一個是國內PA電鍍線尚不成熟”。主機廠主要以材料標準及制件造型作為選材依據,再根據兩款料的特點來進行匹配選擇。”


2PC/ABS中各組分對電鍍和機械強度的影響

 

電鍍性能

機械強度

ABS含量增加

增強

減小

PC含量增加

減弱

增大

另一方面,PC/ABS中各組分的含量對該塑料的性能影響巨大(如上表所示)!故平衡機械強度和電鍍性能,使材料綜合性能最佳是一個難點!目前厲害的PC/ABS生產商能夠在保證電鍍基本要求的條件下,可以做到PC含量非常高;從而能大幅度提高材料的機械強度。

他們是怎么做到的?我們從電鍍原理來加以分析


2.如何在各組分不變的情況下,提高電鍍性能?

image (135).jpg

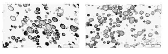
圖表5 PC/ABSTEM照片

(左:PC/ABS HAC8244,右:立鍍® (Kingplate®),黑色顆粒為1、3-丁二烯,顆粒周圍為SAN+PC連續相)

如上圖所示,PC/ABS樹脂中的丁二烯橡膠分布在連續相中。和左圖相比較,右圖丁二烯橡膠分布更加均勻。

image (136).jpg

圖表6 左圖:粗化前PC/ABS表面,右圖:粗化后PC/ABS表面


化學粗化時,丁二烯橡膠會被腐蝕溶解,從而形成大量的微孔。如果丁二烯橡膠分布更均勻,那么此系列PC/ABS粗化效果好得多。

image (137).jpg

圖表7 粗化放大圖

電鍍過程即是在塑料表面形成一層金屬膜。粗化效果越好,則相同尺寸的條件下PC/ABS表面積越大;表面積越大,塑料和金屬層的結合力越大,電鍍效果越好!這就是PC/ABS生產商提高電鍍性能的秘訣!另外,丁二烯橡膠分布均勻還可以一定程度上提高PC/ABS的機械強度。

 


 

四.市場上常用PC/ABS牌號

 

目前,國內外生產PC/ABS的廠家雖然有很多,但市場上主流的主要有巴斯夫Basf,Sabic,拜耳Bayer,錦湖日麗,LG等公司。下面列舉三個公司常用PC/ABS牌號(標紅部分為用于門把手的牌號):

類別

Bayer

Sabic

錦湖日麗

一般耐熱,優異加工性

T45,T50XF

C1000

PC/ABSHAC8240

高耐熱

T65,T65XF

C1100

PC/ABSHAC8250

超高耐熱

T85,T85XF

C1200,MC8002,XCY620

PC/ABSHAC8260

電鍍級

T45PG

MC1300

PC/ABSHAC8244

PC/ABSHAC8264

高耐熱,啞光級

 

LG8002

PC/ABSHAC8250Z

超高耐熱,啞光級

 

LG9000

PC/ABSHAC8260Z

吹塑擠出級

 

MC8100

PC/ABSHAC8250B

礦物填充,高耐熱,尺寸穩定性

T95MF

MC8800

PC/ABSHAC8250TC

增強級,10%glassfiber

T88-2N

C4210,C4010HF

HAC5010G

增強級,20%glassfiber

T88-4N

C4220

HAC5020G

 

<small id="ucqmq"></small>
<object id="ucqmq"><tr id="ucqmq"></tr></object>
<tt id="ucqmq"></tt>
<samp id="ucqmq"></samp>
<object id="ucqmq"></object>
<acronym id="ucqmq"></acronym>
<menu id="ucqmq"><rt id="ucqmq"></rt></menu>
<sup id="ucqmq"><tr id="ucqmq"></tr></sup><samp id="ucqmq"></samp>
<samp id="ucqmq"><tr id="ucqmq"></tr></samp>
<sup id="ucqmq"></sup>
<samp id="ucqmq"><rt id="ucqmq"></rt></samp>
欧美黄色录像 蒙阴县| 广昌县| 漳浦县| 茶陵县| 电白县| 留坝县| 洛南县| 九龙坡区| 祁东县| 灌南县| 巍山| 盐亭县| 丰宁| 平阴县| 道真| 宜春市| 洛川县| 汪清县| 从化市| 洪洞县| 彝良县| 杂多县| 黄浦区| 沭阳县| 内黄县| 安仁县| 南江县| 诸城市| 六盘水市| 仁布县| 定边县| 县级市| 隆回县| 凤城市| 泗阳县| 赫章县| 连平县| 新沂市| 华阴市| 太谷县| 本溪| http://444 http://444 http://444